有朋友讲,退休之后的养老金数额不高,尤其是针对女职工而言,其缴费的年限比较短,所以养老金的金额较低,通常养老金大概在2000元左右。实际上,情况并不一定是如此这般的。
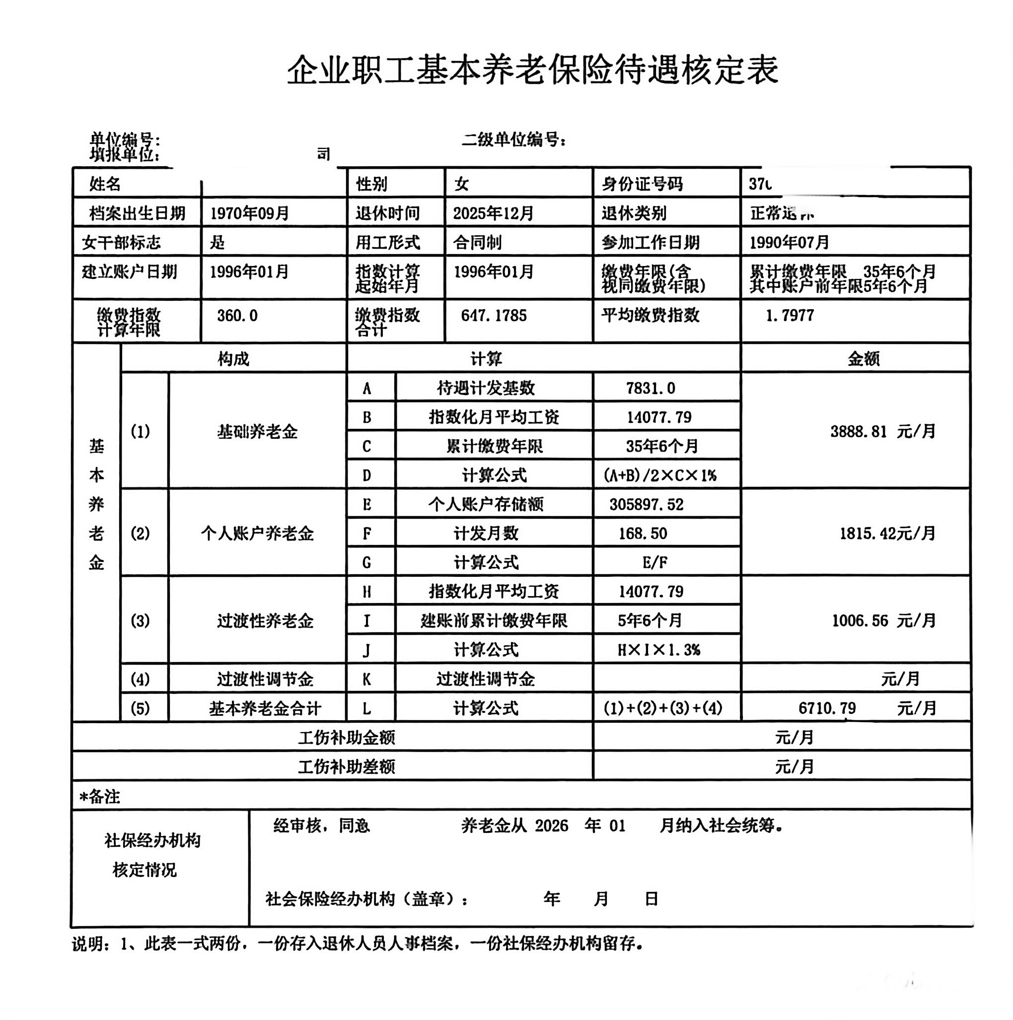
今天,看到了一张待遇核定表,是关于一位女职工的,这位女职工会在2025年12月退休,而表中的养老金数额竟然达到了6710.79元。这到底是怎么一回事呢?
实则大伙退休用以计算养老金的公式是相同的,得要满足相应条件,如此养老金才会更高一点 。
山东省退休养老金计算公式为:
![]()
基础养老金,等于退休当年时的养老金计发基数,乘以括号内一加上本人平均缴费指数的和,除以二,再乘以缴费年限,最后乘以百分之。
因为退休时间是2025年12月,所以得使用山东省那7831元的2025年养老金计发基数。
某个人的平均缴费指数,等同于历年来缴费档次的平均数值,举例来讲,要是我们依照60%档次缴付费用,当月的缴费指数便是0.6 ,要是缴费三百个月,实际上缴费指数的总和就是0.6乘以300等于180 ,这位退休职工缴费指数达到647.1785 ,这表明其缴费档次始终是很高的 。
缴费年限,涵盖视同缴费年限与实际缴费年限,且还得具体精确到月。视同缴费年限可不是随意而定的,而是要依靠当时的国家政策以及本人职工档案的完整性去进行确认。通常情形下,上山下乡经历、军龄、老国有企业固定工身份、机关事业单位工作时间都能够被认定为视同年限。最终,这位参保职工的缴费年限是35年又6个月,也就是35年06个月。
然而,山东省的平均缴费指数,在计算时,仅仅计算建立个人账户之后的相关年限,全省一般情况下是1996年1月,只是省直企业以及青岛市企业较为特殊,它们建立账户的时间更早。计算缴费指数所需的年限恰恰是30年,也就是360个月,最终得出的平均缴费指数是1.7977 。
所以,基础养老金等于,7831元,乘以,(1加上1.7977),除以2,再乘以,35.5年,最后乘以1% 。
要知道,在这之前,建立那个个人账户以前所经历的年限,同样是会受到1995年往后的平均缴费指数产生的影响的。像处于这样的状况之下,缴费档次比较高所起到的作用就会显得是更加明显的。
②个人账户养老金的计算方式为,养老保险个人账户的余额除以,退休年龄所确定的计发月数 。
养老保险公司缴纳部分进入统筹基金,个人缴纳部分按缴费基数的8%积累成个人账户余额,若缴费基数为每月1万元,那么每月个人账户积累800元,一年积累9600元。该职工缴费基数高,最终个人账户余额达.52元 。
进行退休年龄确定的计发月数,平常情况下,50岁退休时计发月数为195个月,当55岁退休可得170个月,到60岁退休则是139个月。实施渐进式延迟退休,计发月数同样是渐进式地呈现减少态势。关于个人账户的具体计算公式,可以参照如下图示。
![]()
最终呢,因为存在延迟退休这种情况,所以养老金计发月数是168.5个月,而个人账户养老金是1815.42元。
③过渡性养老金,它等同于退休当年的养老金计发基数,乘以本人的平均缴费指数,再乘上建立个人账户前年限,之后 by 1.3%的过渡性系数 。
各省于2006年左右确定的过渡性系数,一般处于1%至1.4%之间,山东省所确定的1.3%,也还算是不错的呀 。
![]()
存在着一种待遇补偿,专为建立个人账户以前的缴费年限所设,此即过渡性养老金,这类情况缺少个人账户积累。相对来讲,过渡性养老金的确是颇高的。然而个人账户余额具备可继承的特性,如此这般就算是各有优势之处了。
![]()
整合上述种种情形,总计养老金为6710.79元。其于12月退休,通常状况下还能够领取到2025年的冬季取暖补贴1700元,除此之外还会参与2026年的退休人员养老金调整,着实是颇为不错的。#山东省养老金#。
本站候鸟号已成立4年,主要围绕财经资讯类,分享日常的保险、基金、期货、理财、股票等资讯,帮助您成为一个优秀的财经爱好者。本站温馨提示:股市有风险,入市需谨慎。


暂无评论